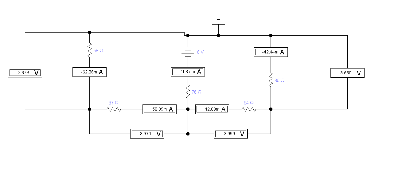
Електротехника. Построение електрической цепи.
Проверить правильность построеной цепи.
Автор
Сообщение

Если присутствуют ошибки — указать что нужно сделать.

А что ты хотел изобразть? Где условие задачи?
Если ни то, ни другое, ни третье не помогает, прочтите, наконец инструкцию.


