правило Кирхгофа

определить напряжение U на реостате сопротивлением R=3 Ом,если ЭДС источников тока равны E1=5,E2=3 В,а их внутреннее сопротивление r1=1 Ом,r2=0,5 Ом.(проводники соединены параллельно,нет возможности сфотографировать)
Добавлено спустя 1 час 5 минут
напишите хотя бы какие-нибудь мысли,мне очень нужно.вы мне очень поможете((((((
отредактировал(а) lubasha: 2012-03-07 16:32 GMT

3361 сообщенийhttp://alexandr4784.narod.ru/
Откуда: Псков
Кто: книгоиздательство
Поскольку без схемы понять ничего нельзя, посмотрите однотипные задачи на http://alexandr4784.narod.ru/izerp.htm
Глава III. ЭЛЕКТРИЧЕСТВО И МАГНЕТИЗМ,
§ 10. Электрический ток
Задачи 10.1 - 10.39
Задачи 10.40 - 10.72

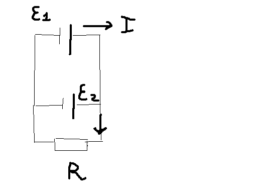
http://sfiz.ru/datas/users/15562-1331122647_xxnxpxjaxexex.bmp
Добавлено спустя 19 секунд(ы)
сама нарисовала схему=)
Добавлено спустя 1 минута
спасибо за задачи сейчас попробую решить,потом напишу что получилось((((
отредактировал(а) lubasha: 2012-03-07 17:19 GMT

3361 сообщенийhttp://alexandr4784.narod.ru/
Откуда: Псков
Кто: книгоиздательство

Для узла А:
\(I_1+I_2-I_3=0\)
\(I_1r_1-I_2r_2=E_1-E_2\)
\(I_2r_2+I_3R=E_2\)
Теперь можно подставить значения сопротивлений и ЭДС и решить систему трех уравнений с тремя неизвестными. Пример решения здесь: http://alexandr4784.narod.ru/algebrac.html Системы линейных уравнений, 3.4. Правило Крамера, стр. 62
