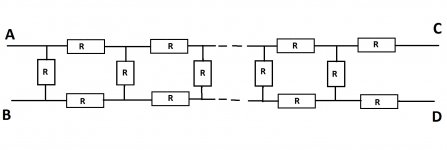
Какое необходимо включить сопротивление? Автор Сообщение Сева #7527 2011-10-30 16:44 GMT Пользователи 3 сообщений Откуда: Ижевск Кто: Школьник Возраст: 30 Репутация 0 [-][+] Сопротивление показанной на схеме цепи №1 измеряется между точками А и В. Какое сопротивление Rх необходимо включить между точками С и D, чтобы сопротивление всей цепи не зависело от числа ячеек в нём? Схема №1 Личное сообщение ФорумыФизика » МеханикаФизика » Молекулярная физика и ТермодинамикаФизика » ЭлектродинамикаФизика » Колебания и волныФизика » ОптикаФизика » Физика атомов и молекулФизика » Элементы СТОФизика » Решение задач по физикеФизика » АстрономияОбщее » Наш сайтОбщее » Простые разговорыОбщее » Web-ресурсыОбщее » Альтернативные теории