Расчет цепи постоянного тока
помогите сообразить с формулой
Автор
Сообщение
#9652
2012-03-23 18:07 GMT


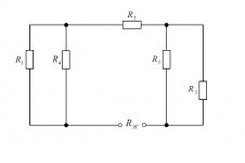
Rэг = (R1R4/(R1 + R4)) + R2 + (R3R5/(R3 + R5))
Нет границ, а есть лишь препятствия! И каждое препятствие можно преодолеть!

