законы Кирхгофа

я составил по законам узловые уравнения
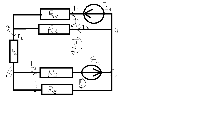
a: i1+i2-i4=0
b: i4-i3-i5=0
c: i3+i5-i2=0
и для контуров
первый -i1*R1+i2*R2=-E1
второй -i4*R4-i2*r2-i3*r3=-E2
третий -i5*R5+i3*R3=E2
как решать систему в методичке ниче не сказанно((сказано лишь то что этот метод очень громосткий...
если появится интерес могу дать значения R и E.

3361 сообщенийhttp://alexandr4784.narod.ru/
Откуда: Псков
Кто: книгоиздательство
В точке С сходятся четыре тока
Добавлено спустя 6 минут
Более того, С и D - это одна точка и уравнение токов для не писать не надо, так как число узлов - 3 и надо лишь два уравнения для узлов. Имеем 5 токов - надо 5 уравнений. Систему можно решить матричным методом (см. http://alexandr4784.narod.ru/algebrac.html Системы линейных уравнений )
отредактировал(а) iskander: 2011-10-14 09:46 GMT

а мне сказали что дальше как все найду нужно решать методом узловых потенциалов а именно соотнести узловые и контурные,составить систему уравнений и тока потом находить определитель.((

3361 сообщенийhttp://alexandr4784.narod.ru/
Откуда: Псков
Кто: книгоиздательство
Вы уже написали 5 уравнений (с - лишнее) - это и есть система уравнений с пятью неизвестными токами. Надо в эти уравнения подставить значения сопротивлений и ЭДС и решать. Методы есть разные.

ясно
то есть можно составить составить квадратную матрицу 5x5 и решать?
а я вчера весь день пытался 6x5))спасибо!

3361 сообщенийhttp://alexandr4784.narod.ru/
Откуда: Псков
Кто: книгоиздательство
Правильно, во втором контуре везде минусы - замените на плюсы и посмотрите, может уравнения записать в другом порядке (это на ответ не повлияет)
Добавлено спустя 2 минут
Я давал ссылку, там на странице 58 есть простенький пример, ваш посложнее, но в том же ключе. Матрица 5х6
Добавлено спустя 11 минут
Получилась такая матрица
\(\begin{pmatrix} 1 & 1 & 0 & -1 & 0 & 0 \\ 0 & 0 & -1 & 1 & -1 & 0 \\ R_1 & R_2 & 0 & 0 & 0 & -E_1 \\ 0 & R_2 & R_3 & R_4 & 0 & E_2 \\ 0 & 0 & R_3 & 0 & -R_5 & E_2 \end{pmatrix}\)
отредактировал(а) iskander: 2011-10-14 13:55 GMT

и матрица
В=(0)
(0 )
(-Е1)
(Е2)
(Е2).\
значит Ах это матрица 5х5))
только еще один вопрос.у нас известны все ЭДС и сопротивления,как найти токи если их прировняли к 1?
Добавлено спустя 51 секунд(ы)
а!все понял))
отредактировал(а) phasha: 2011-10-14 14:52 GMT

3361 сообщенийhttp://alexandr4784.narod.ru/
Откуда: Псков
Кто: книгоиздательство
Это коэффициенты перед токами, а не токи.

