схема
Автор
Сообщение
#5097
2011-03-14 22:19 GMT

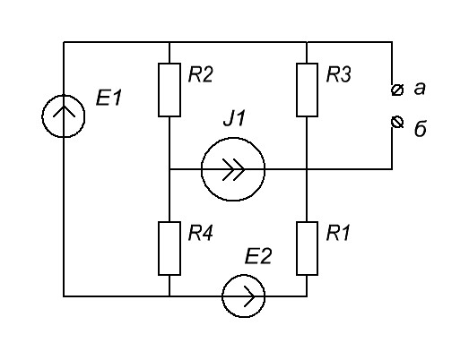
необходимо рассчитать параметры эквивалентного источников напряжения Rн и Eн по отношению к зажимам a и b.
собственно я не знаю что тут с чем соединено и как(что последовательно,что параллельно)
13599-1300130250_file.jpg
особенно мешает ток J1.

