Поиск токов ветвей с помощью уравнений Кирхгофа

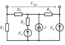
В схеме рассчитать токи ветвей, пользуясь законами Кирхгофа.
20958-1414599476_xxexsxjxxu.png
Помогите решить. Не могу найти примеры, где ветвь с I была бы по середине схемы

Не понятно в чём помогать?
Если ни то, ни другое, ни третье не помогает, прочтите, наконец инструкцию.

http://sfiz.ru/datas/users/20958-1414599476_xxexsxjxxu.png вот схема. Не могу составить уравнения

3361 сообщенийhttp://alexandr4784.narod.ru/
Откуда: Псков
Кто: книгоиздательство
Посмотри здесь http://sfiz.ru/forums.php?m=posts&q=6298

Я знаю, как решать подобные задачи. Вот конкретно эта не получается. Здесь нужно рассматривать три контура? Я построил след. уравнения, но не думаю что они правильные.
i1-i2-j-i3=0;
i1(R1+R2)+i2R3=E3;
Uj+i2R3=E3;
Uj+i3R4=E4;
где i1 - ток ветви с R1; i2 - ток ветви с R3; i3 - ток ветви с R4

Преобразуй источник эдс Е3 в источник тока, сложи с другим источником тока, потом сделай обратный переход к источнику эдс и получишь два контура.
А дальше детский лепет.
Если ни то, ни другое, ни третье не помогает, прочтите, наконец инструкцию.

Спасибо, Лаборант. Попробую
