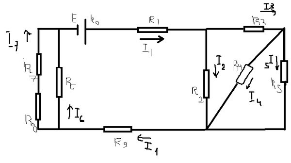
Задача по физике. Как решать?

R1=5 ТОК ВТОРОЙ(I)=3A
R2=12
R3=6
R4=10
R5=15
R6=3
R7=4
R8=2
R9=6
R0=1 Найти R общ., I, U, P расчитать токи напряжения, определить E, Uo


Ничего сложного. Главное внимательность. Сначала находим общее сопротивление цепи. Для этого надо схему свернуть, заменяя
несколько сопротивлений одним эквивалентным. Итак:
R45=R4*R5/(R4+R5)=150/25=6 Ом.
R345=R3+R45=6+6=12 Ом.
R2345=R2*R345/(R2+R345)=12*12/24=6 Ом.
R78=R7+R8=4+2=6 Ом.
R678=R6*R78/(R6+R7
=3*6/9=2 Ом.
Общее сопротивление будет R:
R=R678+R0+R1+R2345+R9=2+1+5+6+6=20 Ом.
Затем найдём общий ток I
I=I1=I2+I345=I9
U2=I2*R2=3*12=36 B.
U2=U345
I345=U345/R345=36/12=3 A.
I=I2+I345=3+3=6 A.
E=I*R=6*20=120 B.
Надеюсь дальше справишься сам.
Если ни то, ни другое, ни третье не помогает, прочтите, наконец инструкцию.

Спасибо. Дальше сам попробую разобраться.

